Ersatzteil Wahl:
601 - CYLINDER CASE
602 - LIFT ARM
603 - FLOW CONTROL VALVE
604 - CONTROL VALVE LINKAGE
605 - MAIN CONTROL VALVE
606 - REMOTE CONTROL VALVE
607 - POSITION LEVER LINKAGE
608 - HYDRAULIC PUMP & GEAR PUMP
609 - HYDRAULIC HOSE (1)
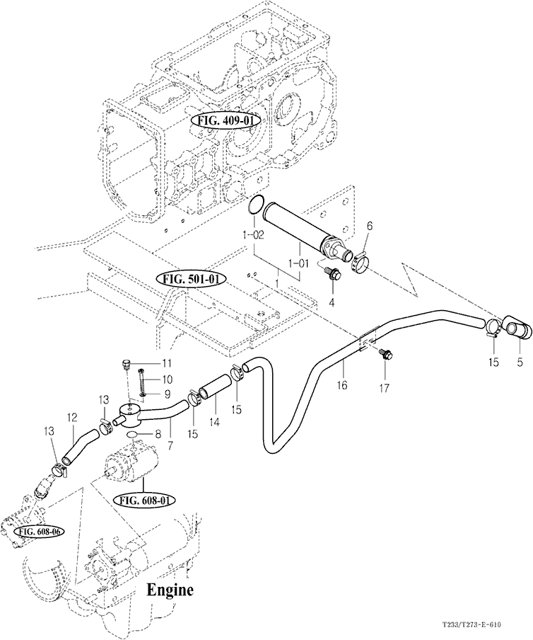
610 - HYDRAULIC HOSE (2)
611 - PTO VALVE
612 - HITCH & 3-POINT LINKAGE
613 - JOYSTICK LEVER
614 - HITCH & COVER


Zoomen:
Zeichnung als PDF herunterladen
610 - HYDRAULIC HOSE (2)
Wählen Sie die gewünschten Ersatzteile bitte durch einen Klick auf die Punkte in der Explosivzeichnung oder das oben angezeigte Menü aus.
Artikelname
Artikelnummer
Preis
Anzahl