Ersatzteil Wahl:
101 - CYLINDER HEAD
102 - VALVE MECHANISM
103 - ROCKER COVER & CAMSHAFT
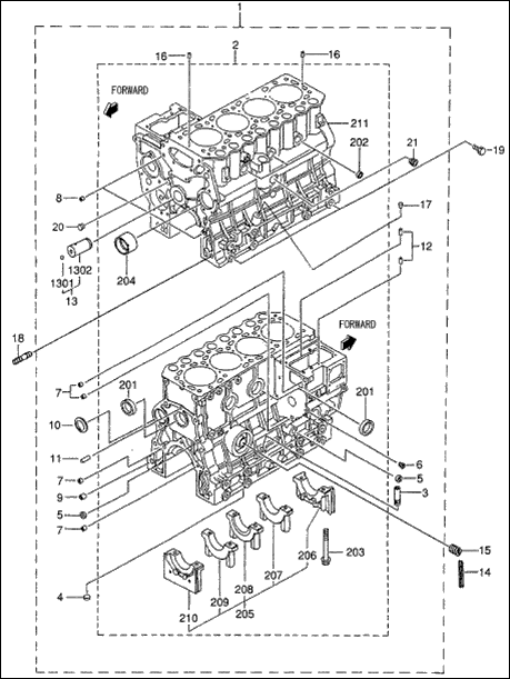
104 - CRANKCASE
105 - REAR PLATE & MAIN METAL
106 - TIMING GEAR CASE
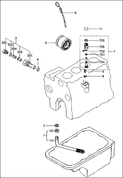
107 - OIL PAN
108 - MAIN MOVING PARTS
109 - TIMING GEAR
110 - INLET & EXHAUST SYSTEM
111 - OIL PUMP
112 - OIL SYSTEM
113 - COOLING SYSTEM
114 - FUEL SYSTEM
115 - NOZZLE
116 - FUEL INJECTION PUMP
117 - FUEL FILTER
118 - GOVERNOR
119 - ELECTRIC PARTS
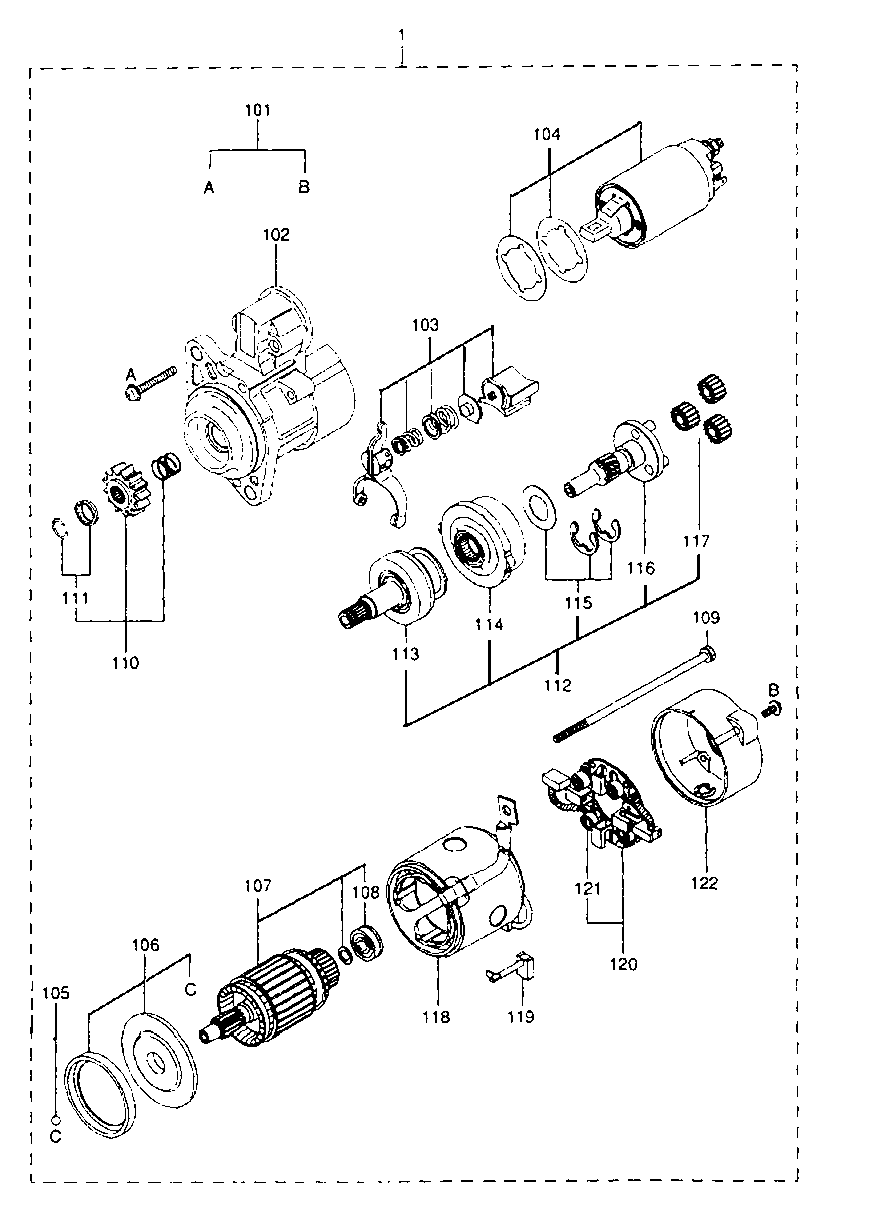
120 - STARTER
121 - ALTERNATOR
122 - CONTROL SYSTEM
123 - INSTRUMENT
124 - OVERHAUL GASKET KIT