Ersatzteil Wahl:
401 - TRANSMISSION FRONT CASE
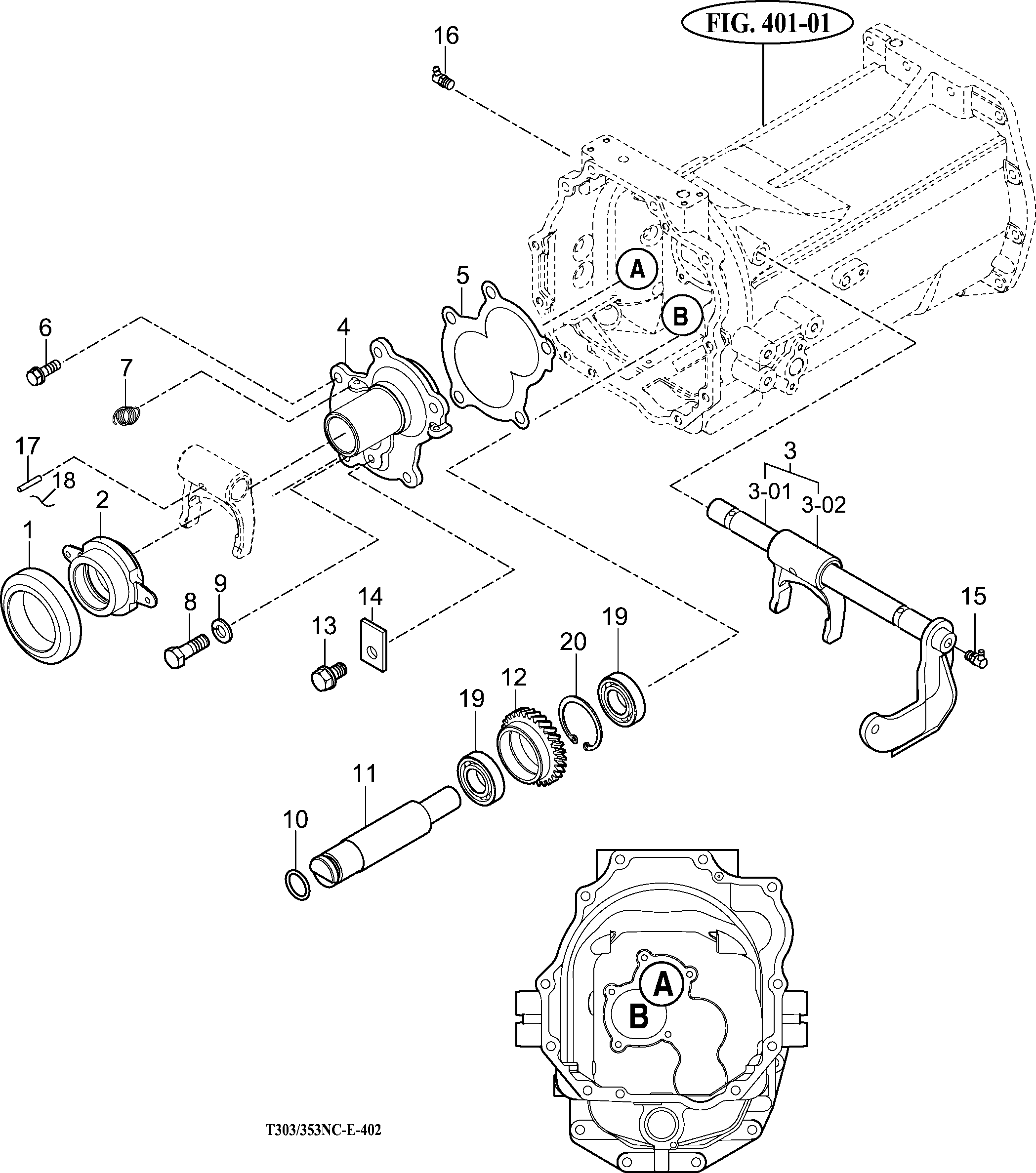
402 - INPUT METAL
403 - INPUT GEAR
404 - 4WD DRIVE GEAR
405 - MAIN CHANGE GEARS & REVERSE GEARS
406 - SUB CHANGE GEARS
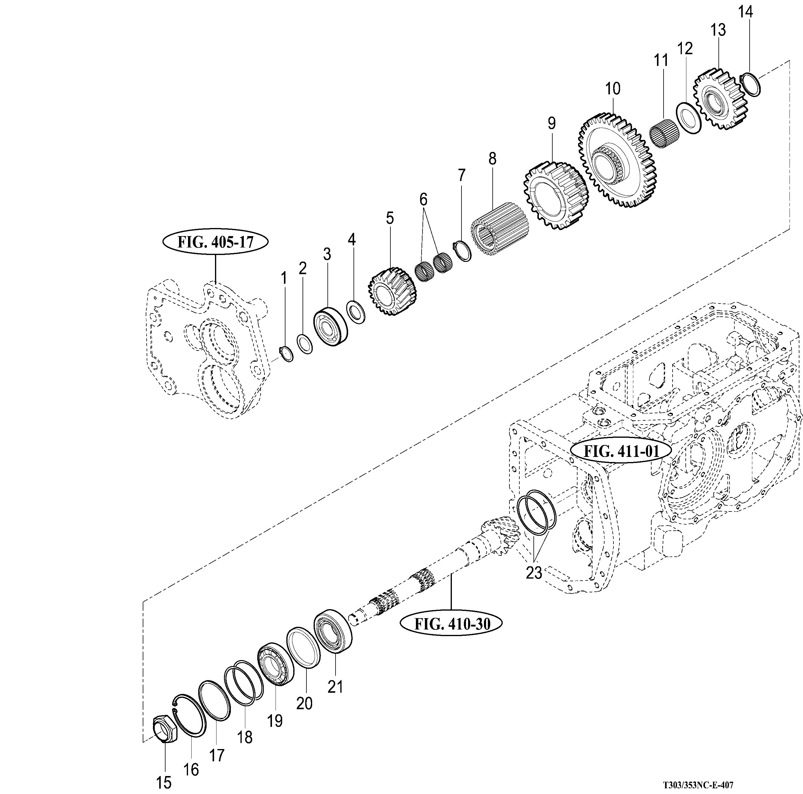
407 - PINION GEARS
408 - P.T.O DRIVE SHAFT
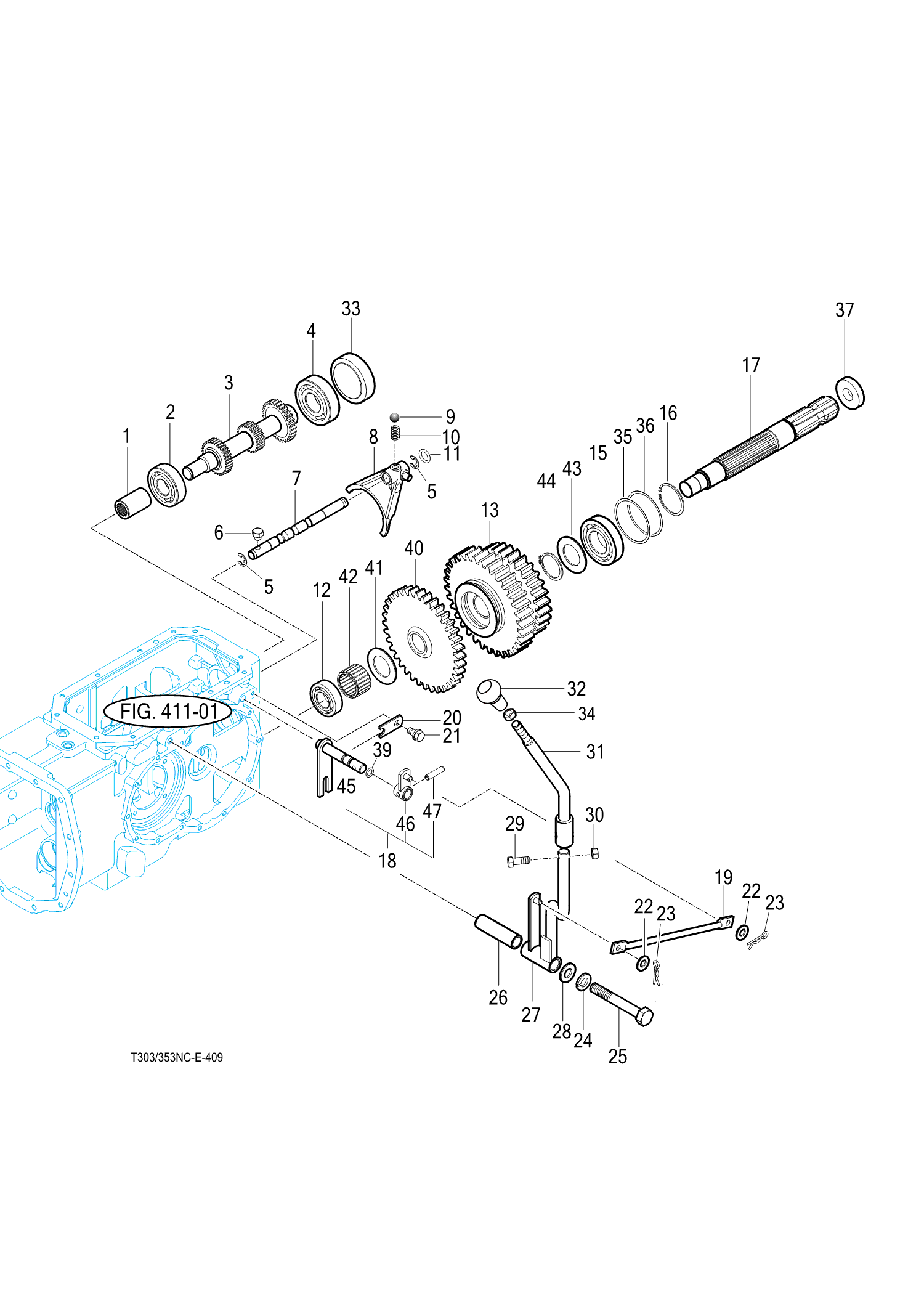
409 - P.T.O CHANGE GEARS
410 - DIFF LOCK
411 - TRANSMISSION REAR CASE
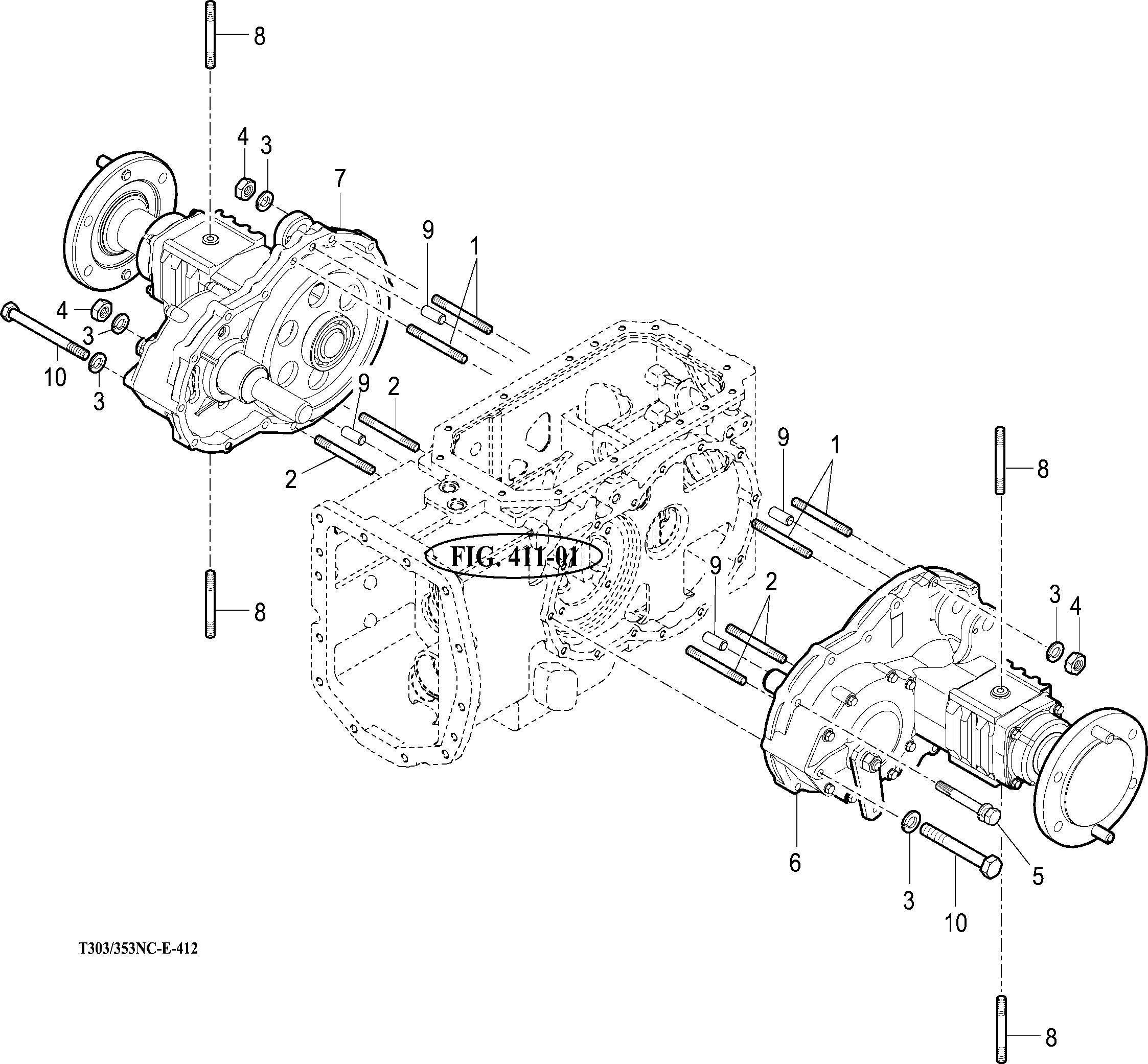
412 - REAR AXLE HOUSINGS (1)
413 - REAR AXLE HOUSINGS (2)
414 - MAIN CHANGE LEVER
415 - SUB CHANGE LEVER
416 - REVERSE LINK
417 - REVERSE CHANGE LEVER
418 - 4WD CHANGE LEVER