Ersatzteil Wahl:
100 - ENGINE
101 - CYLINDER BLOCK
102 - GEAR HOUSING
103 - FLYWHEEL HOUSING & OIL SUMP
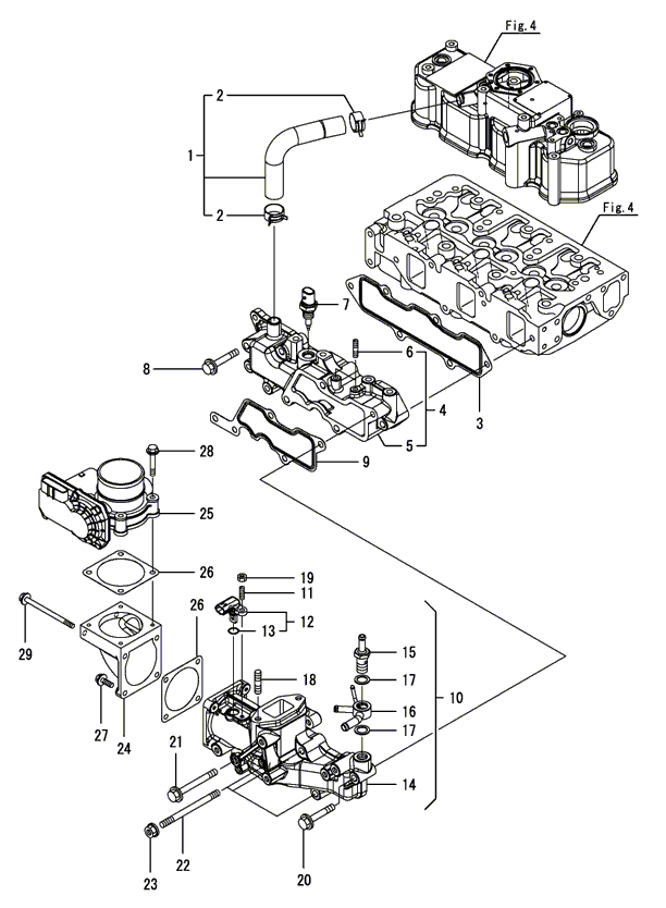
104 - CYLINDER HEAD & BONNET
105 - SUCTION MANIFOLD
106 - EXHAUST MANIFOLD
107 - DIESEL PARTICULATE FILTER(DPF)
108 - CAMSHAFT & DRIVING GEAR
109 - CRANKSHAFT & PISTON
110 - LUB.OIL SYSTEM
111 - COOLING WATER SYSTEM
112 - FUEL SUPPLY PUMP
113 - FUEL INJECTION VALVE
114 - FUEL PIPE
115 - STARTER MOTOR
116 - ALTERNATOR
117 - ELECTRONIC CONTROL UNIT(ECU)
118 - ELECTRIC PARTS
Zoomen:
Zeichnung als PDF herunterladen
105 - SUCTION MANIFOLD
Wählen Sie die gewünschten Ersatzteile bitte durch einen Klick auf die Punkte in der Explosivzeichnung oder das oben angezeigte Menü aus.
Artikelname
Artikelnummer
Preis
Anzahl