Ersatzteil Wahl:
401 - TRANSMISSION FRONT CASE
402 - HST
403 - MID CASE
404 - 4WD DRIVE GEAR
405 - INPUT GEAR
406 - SUB CHANGE GEARS
407 - PINION GEARS
408 - P.T.O DRIVE SHAFT
409 - P.T.O CHANGE GEARS
410 - DIFF LOCK
411 - TRANSMISSION REAR CASE
412 - REAR AXLE HOUSINGS (1)
413 - REAR AXLE HOUSINGS (2)
414 - MID P.T.O GEARS
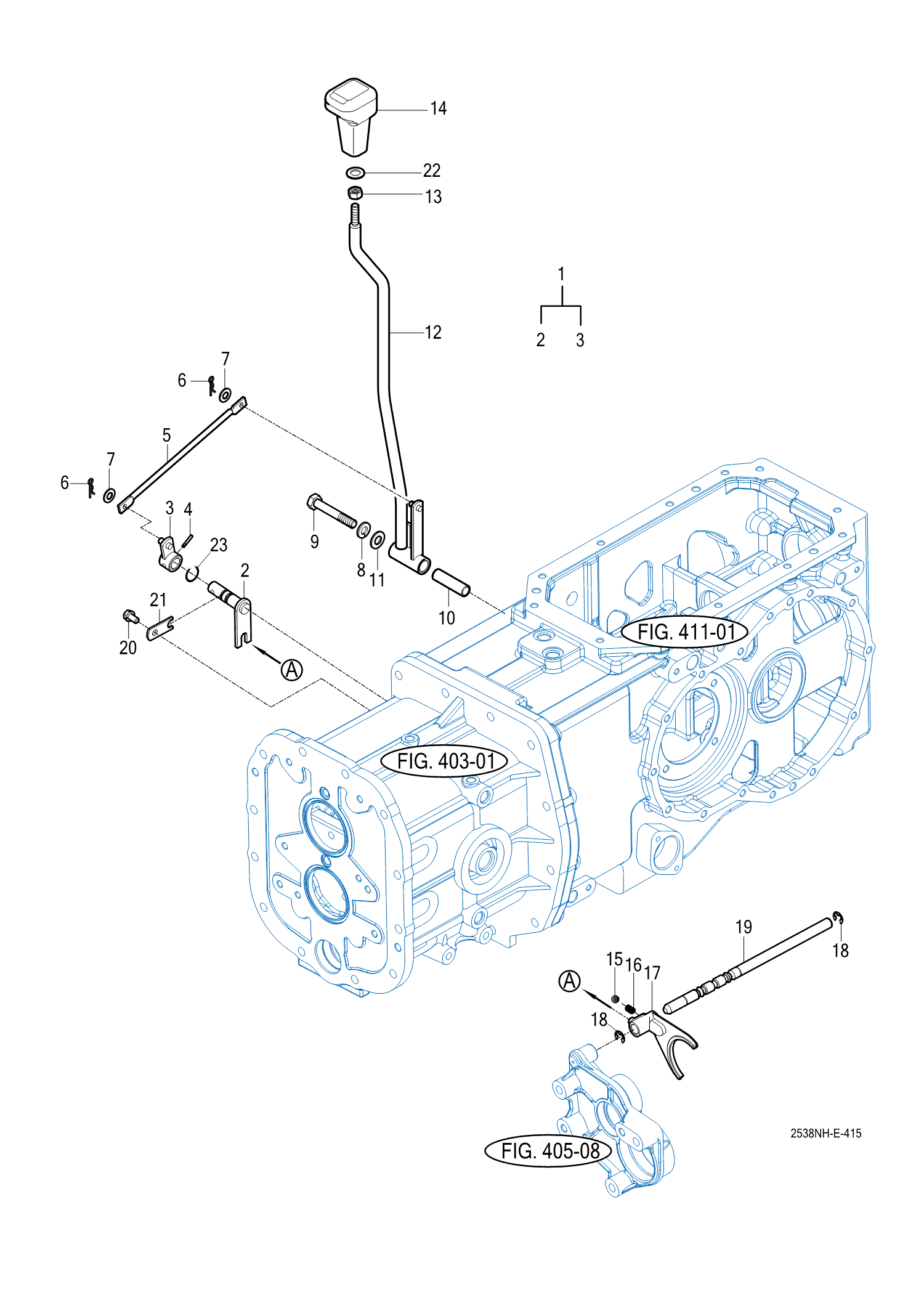
415 - SUB CHANGE LEVER
416 - FORWARD & REVERSE CONTROL LINKAGE
417 - CRUISE CONTROL KIT (OPTION)
418 - 4WD CHANGE LEVER


Zoomen:
Zeichnung als PDF herunterladen
415 - SUB CHANGE LEVER
Wählen Sie die gewünschten Ersatzteile bitte durch einen Klick auf die Punkte in der Explosivzeichnung oder das oben angezeigte Menü aus.
Artikelname
Artikelnummer
Preis
Anzahl