Ersatzteil Wahl:


Zoomen:
Zeichnung als PDF herunterladen
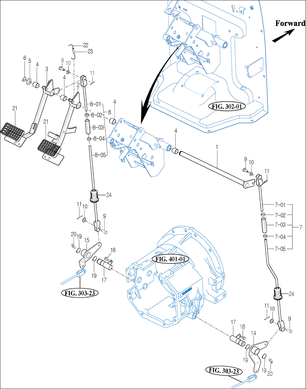
304 - BRAKE PEDAL & LINK
Wählen Sie die gewünschten Ersatzteile bitte durch einen Klick auf die Punkte in der Explosivzeichnung oder das oben angezeigte Menü aus.
Artikelname
Artikelnummer
Preis
Anzahl