Ersatzteil Wahl:
100 - ENGINE
101A - CYLINDER BLOCK (T554)
102 - GEAR HOUSING
103 - FLYWHEEL HOUSING & OIL SUMP
104A - CYLINDER HEAD & BONNET (T554)
105A - SUCTION MANIFOLD (T554)
106A - EXHAUST MANIFOLD (T554)
107A - DIESEL PARTICULATE FILTER (T554)
108 - CAMSHAFT & DRIVING GEAR
109 - TURBINE (T554)
110A - CRANKSHAFT & PISTON (T554)
111 - BALANCER
112A - LUB. OIL SYSTEM (T554)
113 - LUB. OIL LINE (T554)
114 - COOLING WATER SYSTEM
115 - FUEL SUPPLY PUMP
116A - FUEL INJECTION VALVE (T554)
117 - FUEL LINE
118 - STARTING MOTOR
119 - GENERATOR
120A - ELECTRONIC CONTROL UNIT (T554)
121A - ELECTRIC PARTS (T554)
122A - ACCESSORY (T554)


Zoomen:
Zeichnung als PDF herunterladen
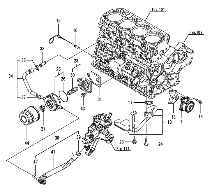
112A - LUB. OIL SYSTEM (T554)
Wählen Sie die gewünschten Ersatzteile bitte durch einen Klick auf die Punkte in der Explosivzeichnung oder das oben angezeigte Menü aus.
Artikelname
Artikelnummer
Preis
Anzahl