Ersatzteil Wahl:
401 - TRANSMISSION FRONT CASE
402 - FORWARD & BACKWARD GEARS
403 - CHANGE GEARS
404 - REVERSE GEARS
405 - P.T.O DRIVE SHAFT
406 - MAIN CHANGE LEVER
407 - REVERSE CHANGE LEVER
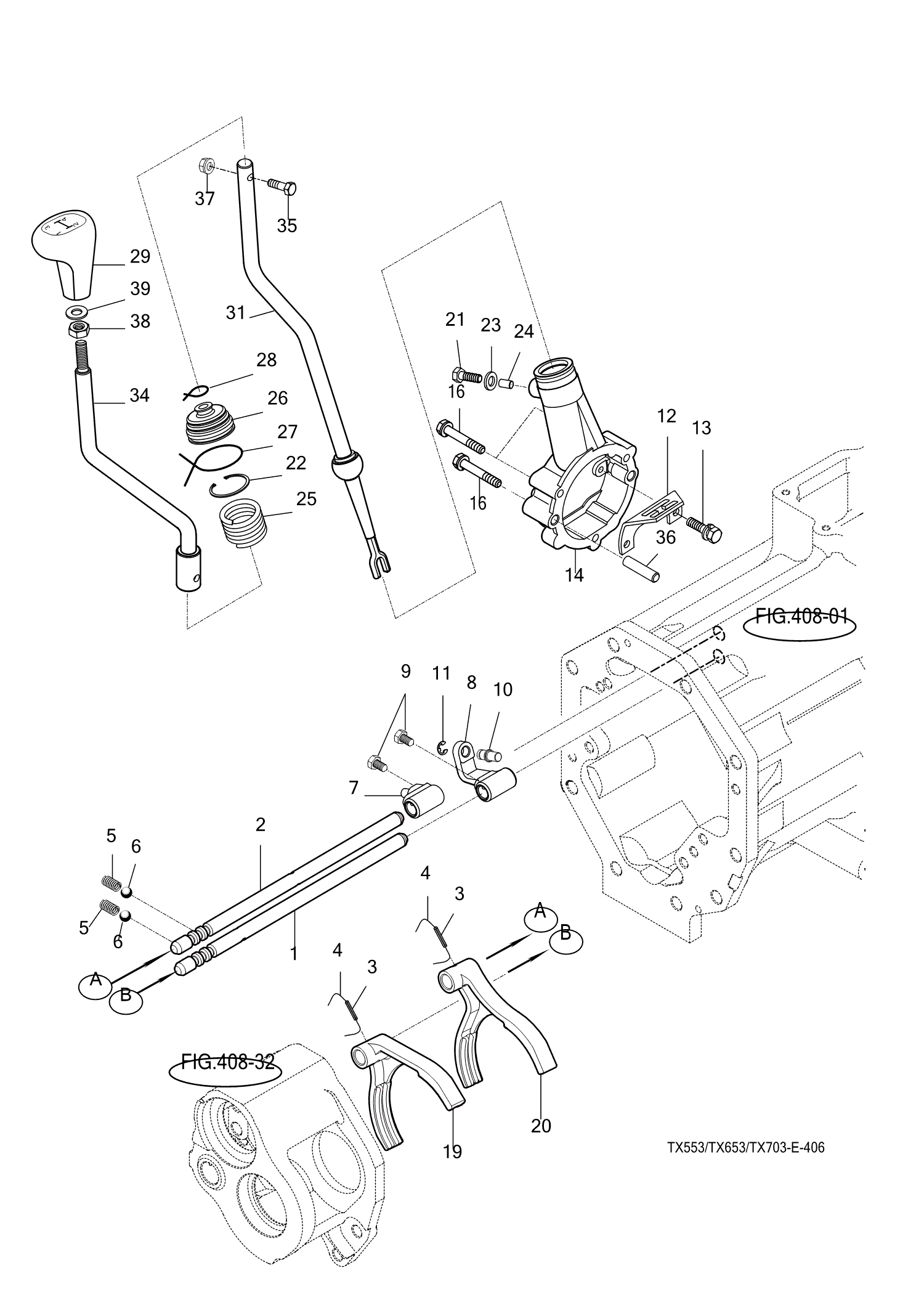
408 - TRANSMISSION MID CASE
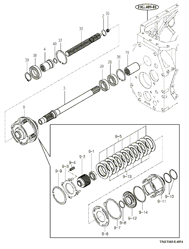
409 - TRANSMISSION REAR CASE
410 - SUB CHANGE GEARS
411 - SUB CHANGE SHIFTER
412 - CREEP CHANGE
413 - DRIVE GEARS
414 - 4WD CHANGE LEVER
415 - P.T.O CHANGE GEARS
416 - P.T.O CHANGE SHIFTER
417 - REAR DIFFERENTIAL GEARS
418 - REAR AXLE HOUSING