Ersatzteil Wahl:
Zoomen:
Zeichnung als PDF herunterladen
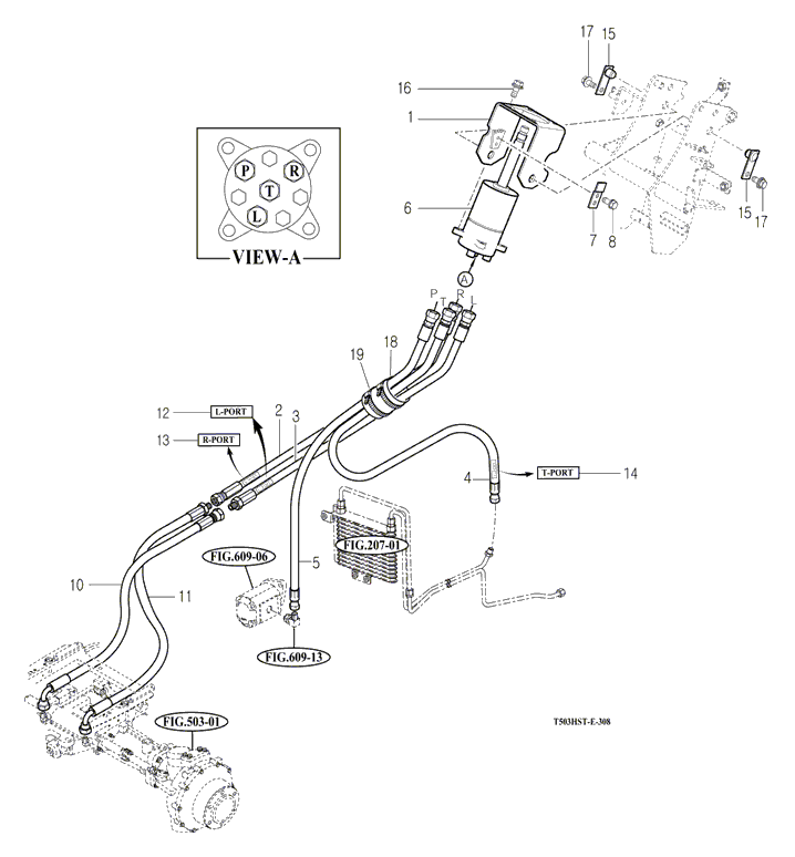
308 - POWER STEERING VALVE
Wählen Sie die gewünschten Ersatzteile bitte durch einen Klick auf die Punkte in der Explosivzeichnung oder das oben angezeigte Menü aus.
Artikelname
Artikelnummer
Preis
Anzahl